How To Program Nissan Intelligent Key


Nissan 2019 What S New

Nissan 2019 What S New

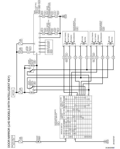
Nissan Rogue Service Manual Wiring Diagram With Intelligent Key

Nissan Rogue Service Manual Wiring Diagram With Intelligent Key

Intelligent Key Battery Replacement Maintenance And Do It

Intelligent Key Battery Replacement Maintenance And Do It

How Does Nissan Intelligent Key Work

How Does Nissan Intelligent Key Work

Shopping For A Nissan Altima Springfield Mo Never Say No Auto

Shopping For A Nissan Altima Springfield Mo Never Say No Auto